首页 > Q034抛丸器
产品分类
新闻资讯
抛丸器
Q034抛丸器
作者:青岛恒辉机械有限公司 发布时间:2022-10-30 22:30:04

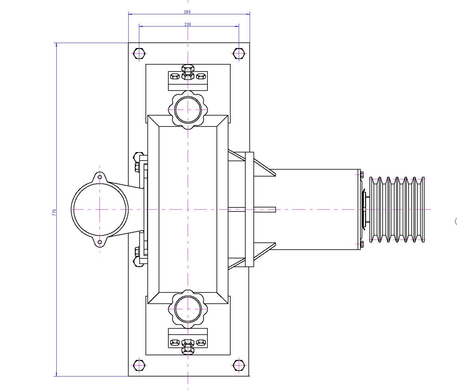
Q034抛丸器的电机功率使用范围从11KW-18.5KW,叶片尺寸为长度135mm*宽度96mm,抛丸量240kg/min,
我公司生产的Q034抛丸器的叶片材质有精铸Cr20和模具钢锻造品质,精铸Cr20叶片平均使用寿命超过600小时,模具钢锻造叶片均使用寿命超过1500小时.
该抛丸器应用于履带式抛丸机,吊钩式抛丸机。
